SEMEM_DKX-GB型防爆阀门控制箱
一、DKX-GB型防爆阀门控制箱 特点:
DKX-GB 防爆阀门控制箱为挂壁式。使用于爆炸性可燃气体I区-II区危险场所,IA-IIB类级别,温度组为T1-T4,防爆标志为ExdIIBT4,既可以用于现场单一控制,也可以远距离集中控制。
防爆阀门控制器隔爆结构主要通过两个联结零件之间的止口,电缆进出线孔由橡胶密封,视窗口涂环氧树脂密封。
防爆阀门控制箱电路由主电路,控制电路,共组显示电路和开度指示电路组成。控制电源采用经变压器降压后的36V低压隔离电源。
二、DKX-GB型防爆阀门控制箱 技术参数:
电源:三相380V(50Hz)三相四线制 ;
环境温度:-20℃~+60℃;
相对湿度:≤95%;
防护类型:隔爆型防爆标志为dⅡBT4,用于工厂,适用于环境为ⅡA、ⅡB级T1~T4组的爆炸性气体混合物;(详见GB3836.1)
防护等级:防护等级为IP55 ;
防爆阀门控制器根据控制的电动机功率不同,分如下型号:

三、DKX型防爆阀门控制箱 安装使用:
首先,按照电动装置使用说明书做好通电前的调试准备工作,再按照阀门控制箱电气原理图和电动装置接线图接线,经检查无误后,接通电源。
这时如红灯RD和绿灯GN均亮,表示电动阀门处于中间位置,检查电机相序正确后,操作开向按妞SO,开到位电动装置应停止工作,此时红灯RD亮,绿灯GN灭,表示阀门处于全开位置;操作关向按妞SC,关到位时电动装置应停止工作,此时红灯RD灭,绿灯GN亮,表示阀门处于全关位置。在开启过程中,红灯RD闪亮,绿灯GN常亮;而在关闭过程中,绿灯GN闪亮,红灯RD常亮。
开度指示器的调试:调节电动装置内开度指示器上的电位器W1和位于控制箱内的电位器W2,使开度表在电动阀门处于全关位置时指示为0,全关位置时满度指示。
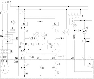
四、DKX型防爆阀门控制箱 控制原理图:

五、DKX-G3B型防爆阀门控制箱:

六、DKX-G4B型防爆电动阀门控制箱:







